晶闸管的工作原理图_晶闸管的工作原理(2)

JPG,960x540,134KB,446_249
可控硅的工作原理和作用分析

JPG,317x341,231KB,250_269
可控硅 晶闸管 原理图及可控硅工作原理分析

JPG,499x279,234KB,447_249
plc控制系统在晶闸管交流电子开关中设计

JPG,464x436,234KB,464_436
可控硅原理_ 可控硅是可控硅整流元件的简称,是一种具有三个pn 结的四层结构的大功率半导体器件,一般由两晶闸管反向连接而成.

JPG,190x212,231KB,250_278
可控硅的工作原理

JPG,300x302,231KB,255_256
可控硅 晶闸管 原理图

JPG,640x494,234KB,324_250
各类电气控制接线图,电子元件工作原理图

JPG,503x214,234KB,589_249
可关断晶闸管的工作原理_ 由于gto处于临界饱和状态,用抽走阳极电流的方法破坏临界饱和状态,能使器件关断.

JPG,442x292,234KB,377_250
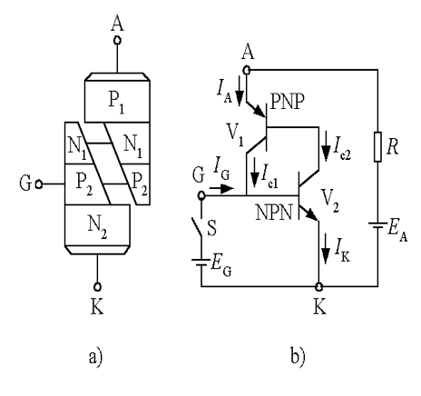
晶闸管的双晶体管模型及其工作原理 a) 双晶体管模型 b) 等效电路

JPG,640x549,234KB,500_428
34个电气控制接线图,电子元件工作原理图!

JPG,552x287,231KB,482_250
可控硅光控开关电路设计方案分享

JPG,479x240,231KB,498_250
智能控制电路接口c、d接入的是可以根据光照强度控制开与关的控制电路,控制主要由_ 晶闸管_ d1、d2完成;智能调光电路接口a、b接入的是可以随光照强度改变晶闸管导通角的控制电路.

JPG,667x374,231KB,446_249
可控硅的工作原理和作用分析

JPG,657x278,231KB,591_250
可控硅调压器电路图大全 八款模拟电路设计原理图详解 调压电路图

JPG,210x223,234KB,250_265
晶闸管的门极g和阴极k与控制晶闸管的装置连接,组成晶闸管的控制电路.