原理网_生活中的科学原理解析

彩电的原理_oled电视工作原理

原理图集原理 2025-01-21 22:57

oled电视工作原理

彩电的原理_oled电视工作原理

JPG,799x475,234KB,799_475

长虹nc 6机芯g2966彩电的原理与检修

彩电的原理_oled电视工作原理

JPG,500x333,134KB,376_250

液晶电视成像原理

彩电的原理_oled电视工作原理

JPG,500x375,234KB,500_375

tn-lcd的基本显示原理

彩电的原理_oled电视工作原理

JPG,917x461,10KB,503_250

彩电中的保护电路原理图

彩电的原理_oled电视工作原理

JPG,640x387,232KB,413_250

激光电视的原理

彩电的原理_oled电视工作原理

JPG,1195x518,231KB,578_250

液晶电视电源原理电路图

彩电的原理_oled电视工作原理

JPG,500x375,231KB,334_250

等离子电视成像原理

彩电的原理_oled电视工作原理

JPG,578x569,234KB,258_253

开机瞬间,整流滤波电路产生的375v电压送到待机开关变压器t803的(1)脚,并从t803(2)脚输出接到待机电源v809的d极,_ 该部分电路的电路结构和工作原理与普通彩电所采用的电路基本相似.

彩电的原理_oled电视工作原理

JPG,489x487,231KB,256_255

液晶成像原理

彩电的原理_oled电视工作原理

JPG,640x374,128KB,428_250

液晶电视组成原理分析

彩电的原理_oled电视工作原理

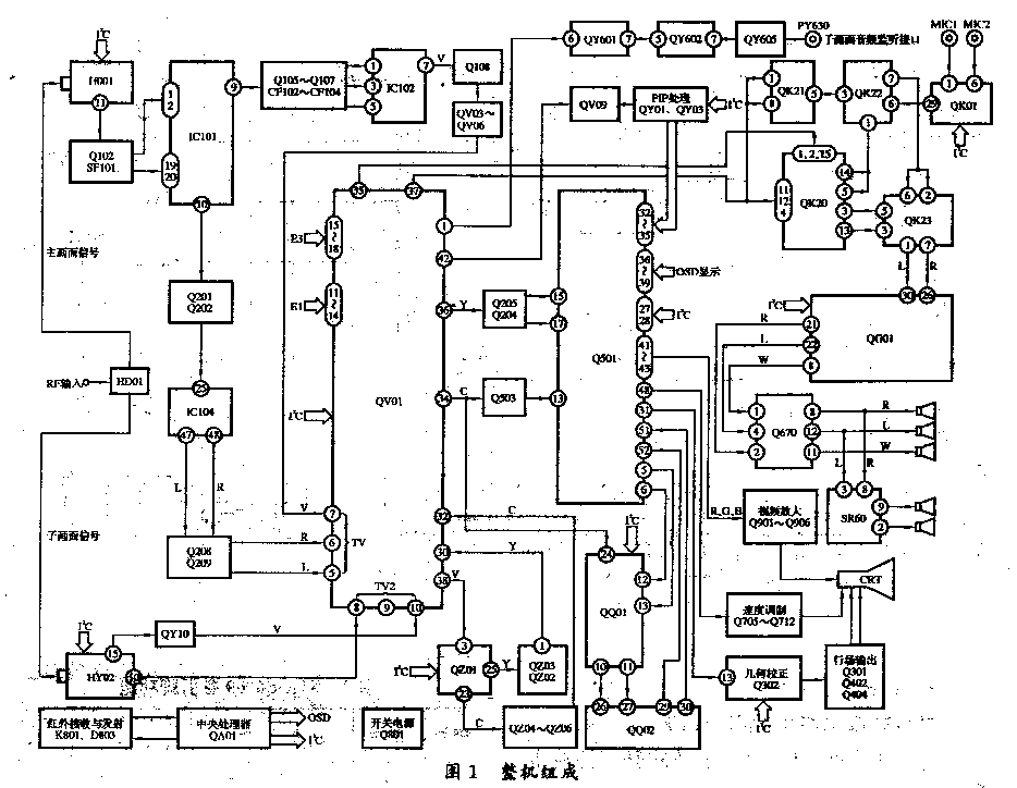
JPG,934x724,234KB,322_250

长虹nc 6机芯g2966彩电的原理与检修

彩电的原理_oled电视工作原理

JPG,450x252,7KB,445_250

等离子工作原理示意图

彩电的原理_oled电视工作原理

JPG,599x657,234KB,250_273

彩电abl电路的控制原理及检修 上

彩电的原理_oled电视工作原理

JPG,500x478,234KB,261_250

(激光电视原理图)

彩电的原理_oled电视工作原理

JPG,640x407,231KB,393_250

电视监控系统原理图

彩电的原理_oled电视工作原理

JPG,450x262,231KB,433_250

sed电视的工作原理

彩电的原理_oled电视工作原理

JPG,500x559,231KB,250_278

lcd(液晶)

彩电的原理_oled电视工作原理

JPG,619x487,231KB,317_250

菲涅尔抗光幕抗光原理

彩电的原理_oled电视工作原理

JPG,324x375,231KB,250_289

背投影电视原理图

标签关键词:

 备案号:

联系QQ:961408596 邮箱地址: