微机基于什么原理_微机原理书本图片
原理图集原理 2025-01-27 23:26
微机原理
png,495x982,81609b
【微机原理】
png,500x462,45628b
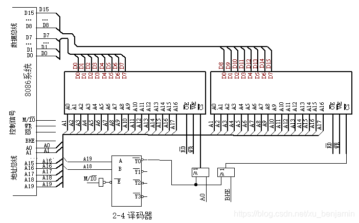
微机原理
png,552x827,105670b
微机原理
jpg,337x600,42861b
微机原理
png,323x638,42033b
微机原理与应用 知识点 微机原理与接口技术知识点 csdn
jpeg,320x410,44993b
单片机微机开发实验箱,8086微机原理和接口实验,51单片机实验开发系统,上海求育
jpg,400x500,16146b
微机原理及应用
jpg,264x548,66464b
微机保护实现原理
gif,264x338,5217b
微机原理及应用
jpeg,537x960,47073b
微机五防系统
png,582x683,94489b
微机原理实验项目 基于FPGA的8位CPU处理器设计
jpg,411x735,31426b
典型微机有哪几大总线 微机原理 CSDN
jpg,413x441,54851b
微机保护实现原理
png,282x450,5887b
微型计算机原理到底是什么 微机原理与接口技术 第三版免费下载
jpeg,589x960,46259b
微机五防工作原理(2)
png,436x702,23935b
微机原理与应用
jpg,337x368,35257b
微机保护实现原理
,"height":252x448,18532b
微机原理
jpg,299x503,37992b
微机保护实现原理
上一篇:雾化器是什么原理_雾化器是什么
下一篇:马桶吸什么原理_马桶构造原理图解


















