科学 空气原理是什么_空气棉是什么面料图片(3)
原理图集原理 2025-01-29 17:59
jpeg,631x1000,38884b
锂空气电池工作原理示意图
jpg,334x640,26076b
实战课程,空调电子原理之空调电源与驱动电路
jpeg,716x1074,67956b
图 4 锂-空气电池工作原理示意图_ 锂-空气电池以金属锂为负极,由碳基材料组成的多孔电极为正极.
jpg,500x369,62960b
什么是空气开关?空气开关怎么安装?
png,301x367,44311b
某科研楼全空气系统空调设计图纸
jpeg,719x1280,95936b
空气能热泵为种植产业提供无冬季栽培
jpeg,445x500,36517b
技术原理_ 空气能热泵机组一般由压缩机、冷凝器、蒸发器、膨胀阀(节流阀)等主要部件组成.
jpg,600x800,103028b
安全快热设计 艾美特hc2225ari电暖器
png,228x330,52606b
压缩空气储能技术原理及应用案例介绍
png,254x289,29972b
如图是锂-空气电池的放电原理图(隔膜只允许锂离子通过).电池放电时的反应可表示为:4li+o2+2h2o═4lioh.下列锂-空气电池放电时的有关说法正确的是(_)
jpg,299x700,35005b
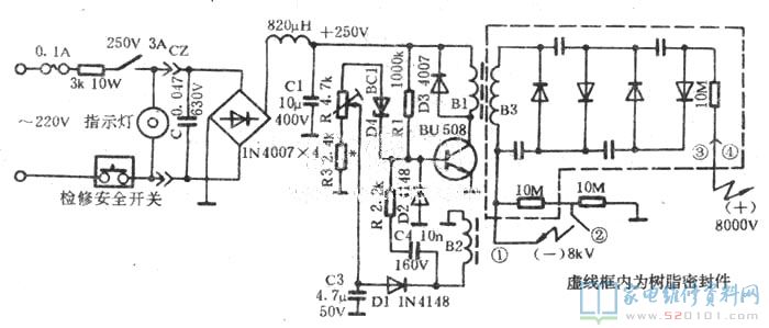
电子式空气清净机的电路原理
jpeg,910x1080,123800b
科学 复旦揭示沪大气污染粒子形成化学机制











