豆浆的原理是什么_jojo豆浆是什么梗(3)
原理图集原理 2025-01-31 17:48
jpg,408x600,58038b
利用单片机控制系统设计的高效省时豆浆机
jpg,637x553,60766b
美的智能豆浆机原理及改进 图
jpg,342x350,89441b
gl-30大型豆浆机(豆腐机)
jpg,635x1000,113157b
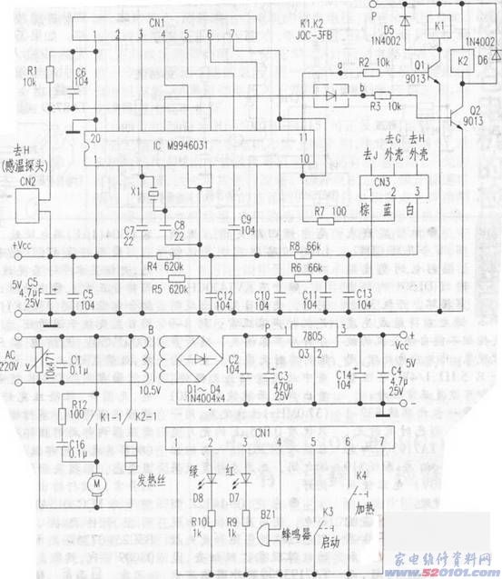
美的豆浆机电路原理图 DG13 DSA型
jpg,1419x750,1035861b
广州石磨豆浆机 优质石磨豆浆机
jpg,370x300,74920b
豆浆机密封结构示意图
jpg,389x595,45926b
九阳豆浆机电路图原理——主电路
jpg,484x735,63923b
全自动豆浆机电路如图.
jpg,281x500,15401b
旋振筛原理:
jpg,429x600,29885b
中卫第三代小太阳豆浆机 第三代沙冰机 现磨豆浆机机 商用
jpg,943x836,130540b
浆渣分离磨浆机原理图
jpg,306x500,87557b
豆浆机的电原理电路图
上一篇:cpu原理是什么_cpu是什么











