电子原理图是什么样子_螨虫是什么样子的图片(2)
原理图集原理 2025-02-15 02:15
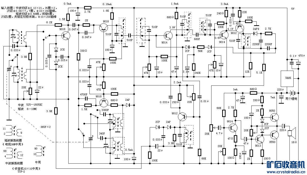
装一块复杂一些的板子
如何从零开始制作自己的PCB电路板
人工控制的语音识别系统电路设计
数字万用表击穿电压测量装置电路设计与原理图
西门子PLC编程图文详解
TDA7293功放电路图纸原理图
单级射级跟随器电路参数设计
康佳F2980D彩电电源原理图
电压转电流电路
电路图中YJV 1KV 5x6 SC32 FC WC是什么意思呢
电器原理图,接线端子图,电器布置图分别是什么样子的图,能不能举个实物图看一下了解一下
四花样自动切换的彩灯控制器的电路原理图
工业控制方案
在PCB设计中高效的放置元件技巧












