曼彻斯特编码的原理是什么_曼彻斯特编码(3)
 原理图集原理 2025-02-24 13:08
        物理层要解决的问题 物理层要解决什么同步的问题 CSDN
高频RFID标签曼彻斯特编码电路的设计
电口以太网物理层一致性测试原理与过程
网络原理之物理层
网络工程师考点数据编码
RFID射频芯片EM4095
NRF905无线收发芯片原理及设计实现
基于NI数采模块测井数据采集控制系统设计
非接触卡MCRF200及PSK读写器电路设计
基于多媒体处理器VG2的智能家居控制器设计
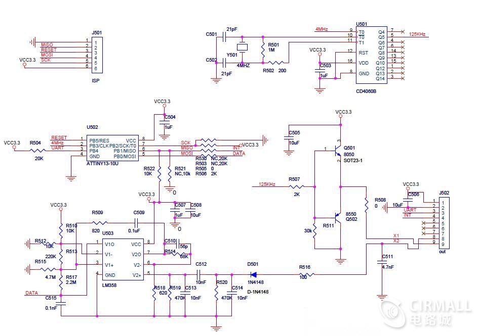
韦根读卡电路c语言程序,私人项目开源 低成本125K RFID读卡模块 原理图 PCB 代码 调试 ...
2020年10月自考真题 计算机网络原理
UHF RFID读写器的工作原理是什么
 
 











