同屏器是什么工作原理_聚结器工作原理(3)
原理图集原理 2025-02-26 18:52
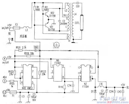
新科SDP5860移动DVD机液晶屏高压逆变电路原理与故障分析
台达DOP系列触摸屏一机多屏应用设计原理
台达DOP系列触摸屏一机多屏应用设计原理
台达DOP系列触摸屏一机多屏应用设计原理
台达DOP系列触摸屏一机多屏应用设计原理
台达DOP系列触摸屏一机多屏应用设计原理
台达DOP系列触摸屏一机多屏应用设计原理
技术中心 典型应用 中国工业控制自动化领域权威咨询 资讯传媒
台达DOP系列触摸屏一机多屏应用设计原理
鱼和熊掌兼得 智器N7完美新触控售1699
台达DOP系列触摸屏一机多屏应用设计原理
台达DOP系列触摸屏一机多屏应用设计原理
台达DOP系列触摸屏一机多屏应用设计原理










