微波炉电路工作原理是什么_微波炉工作原理图解
原理图集原理 2025-02-26 23:51
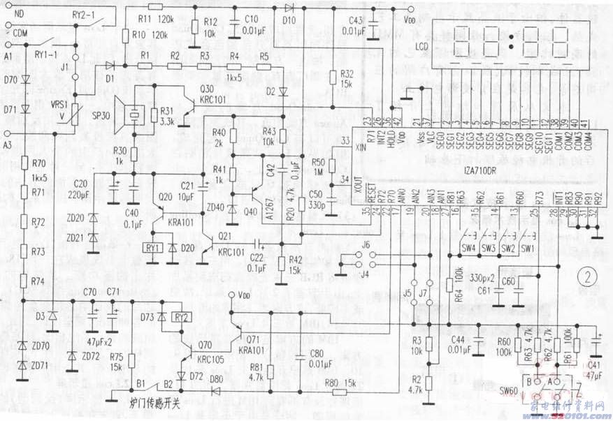
微波炉电路原理图
智能微波炉原理电路
格兰士微波炉原理电路图
微波炉电路图
微波炉电路工作原理图解
全光二极管和石墨烯又有新研发进展
松下M3500摄像机电源电路原理与故障检修电路图
电脑控制型微波炉的电路原理与检测
三乐WP 650A电脑型微波炉电路原理图
微波炉电路原理图1
格兰仕WP750B电脑式微波炉电路原理图
格兰仕微波炉工作原理电路图分析
电脑控制型微波炉的电路原理与检测
三乐牌WP 600A机械式微波炉电路原理图
海尔HR 8801M电脑式微波炉电路原理图
安宝路MB 23微波炉电路原理与故障检修
微波炉电路原理图6
三星M9A88型微波炉内部原理电路图
LG WD850 MG 5579TW 微波炉电路原理图
夏普R 2J28微波炉电路原理与维修 图
儿童弱视双数显治疗仪电路
















